口罩机齿轮厂家大量生产加工出货!
发表时间:2020-02-20 网址:https://www.utransm.com/ 编辑:一同传动
一次性口罩机自动化设备里的齿轮有很多种如圆柱齿轮,链轮及同步轮等,不同齿轮相互配合作用。一同厂家为口罩产能短缺等问题出一份力,目前已经有超过一万件齿轮生产加工出货,后期继续扩大生产。

目前,我司主要生产加工口罩机齿轮产品,货期也排得比较满,主要有以下16款热门产品,供大家选购。
1、M1-18齿:
模数M=1、齿数Z=18、压力角20°,45#钢,齿面淬火处理。

2、M1-25齿:
模数M=1、齿数Z=25、压力角20°,45#钢,齿部淬火处理,表面发黑处理,用于平面口罩小本体机。

3、M1-40齿:
模数M=1、齿数Z=40,40Cr材料加工,齿面硬度HRC45-55,表面发黑处理,未淬火齿轮精度JIS B 1702-1 8级,淬火齿轮精度JIS B 1702-1 9级。

4、M1-50齿:
模数M=1、齿数Z=50,40Cr材料加工,齿面硬度HRC45-55,表面发黑处理,未淬火齿轮精度JIS B 1702-1 8级,淬火齿轮精度JIS B 1702-1 9级。

5、M1-50齿键槽B型:
模数M=1、齿数Z=50、压力角20°,45#钢,齿部淬火处理,表面发黑处理,用于平面口罩小本体机。

6、M1.5-52齿:
模数M=1.5、齿数Z=52,压力角20°,40Cr材料加工,保证键槽和齿的相对位置。

7、M1.5-74齿:
模数M=1.5、齿数Z=74,压力角20°,40Cr材料加工,保证键槽和齿的相对位置。

8、M1.5-75齿:
模数M=1.5、齿数Z=75,S45C材料加工,齿面硬度HRC40-45,表面发黑处理,未淬火齿轮精度JIS B 1702-1 8级,淬火齿轮精度JIS B 1702-1 9级。

9、M2-19齿D形孔:
模数M=2、齿数Z=19、压力角20°,45#钢,齿部淬火处理,表面发黑处理,用于平面口罩小本体机。

10、M2-19齿多重孔:
模数M=2、齿数Z=19、压力角20°,45#钢,齿部淬火处理,表面发黑处理,用于平面口罩小本体机。

11、M2-20齿:
模数M=2、齿数Z=20、压力角20°,S45C材料加工,表面发黑处理,热处理调质HB255,主动齿轮用于平面耳带式全自动口罩制造设备。

12、M2-24齿键槽A型:
模数M=2、齿数Z=24、压力角20°,45#钢,齿部淬火处理,表面发黑处理,用于平面口罩小本体机。

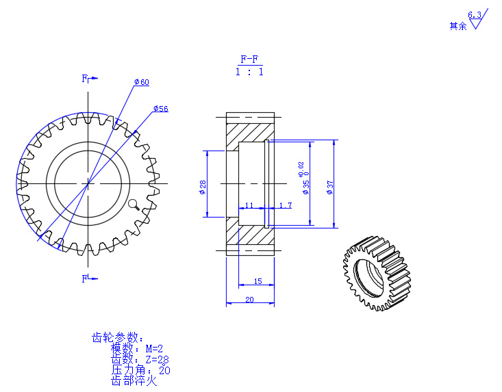
13、M2-28齿A型:
模数M=2、齿数Z=28、压力角20°,45#钢,齿部淬火处理,表面发黑处理,用于平面口罩小本体机。

14、M2-28齿B型:
模数M=2、齿数Z=28、压力角20°,45#钢,齿部淬火处理,表面发黑处理,用于平面口罩小本体机。

15、M2-28齿多重孔:
模数M=2、齿数Z=28、压力角20°,45#钢,齿部淬火处理,表面发黑处理,用于平面口罩小本体机。

16、M2-32齿多重孔:
模数M=2、齿数Z=32、压力角20°,45#钢,齿部淬火处理,表面发黑处理,用于平面口罩小本体机。

更多口罩机齿轮相关信息如3D模型图纸等,可向一同齿轮加工厂家技术免费咨询,我司可根据你实际应用场景推荐合适的产品给到您!
<上一篇:广东一同齿轮加工厂家春节开工通知!
CN
EN
广东一同传动有限公司 



























